0.00 грн.
Оформить заказ- Производитель: Techno Systems
- Модель: TNSy5506369
- Артикул: TNSY#99305
- Наличие: Есть в наличии
312.20 грн.
Нашли дешевле?
- Обзор товара
- Отзывов (0)
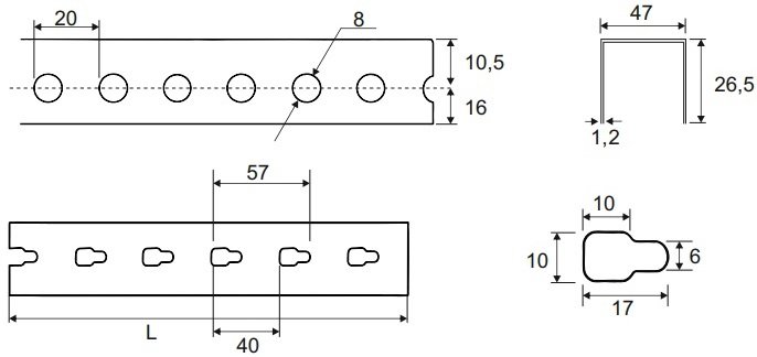
Профіль 1,2-3000мм, П-подібний 47х26мм, перфорований, оцинкований - призначенний для монтажу систем для прокладання кабелю та створення опорних конструкцій.
Виріб відповідає вимогам: ДСТУ EN 61537:2014.

Виріб відповідає вимогам: ДСТУ EN 61537:2014.
Основні сфери застосування:
- Кабельні траси: Використовується як основа або підвіс для кріплення кабельних лотків, коробів та безпосередньо кабелів до стін, стелі або підлоги.
- Монтаж обладнання: Служить каркасом для встановлення електротехнічних пристроїв, розподільчих коробок, щитків та інших елементів електромонтажу.
- Інженерні системи: Підходить для створення кріплень трубопроводів, систем вентиляції та кондиціонування.
- Будівельні металоконструкції: Завдяки перфорації (отворам) дозволяє швидко збирати складні стелажні системи або каркаси без використання зварювання — лише за допомогою болтів та гайок.
Особливості:
- Перфорація: Полегшує монтаж, дозволяючи закріплювати елементи в будь-якій точці профілю.
- Оцинковане покриття: Захищає метал від корозії, що важливо для використання у вологих приміщеннях або промислових зонах.
- П-подібна форма: Забезпечує високу жорсткість на вигин при відносно невеликій вазі.
Технічні характеристики:
| Найменування параметру | Значення |
| Довжина, мм (L) | 3000 |
| Товщина металу, мм (L1) | 1,2 |
| Ширина, мм | 47 |
| Висота, мм | 26,5 |
| Матеріал | сталь оцинкована (DX51D) |
| Покриття | цинк ZN100-150 гарячого цинкування |
| Тип перфорації | перфорація з 3-ьох сторін |
| Срок служби, років | 15 |
| Гарантійний термін, років | 1 |

Отзывов (0)
Нет отзывов о данном товаре.
